Description
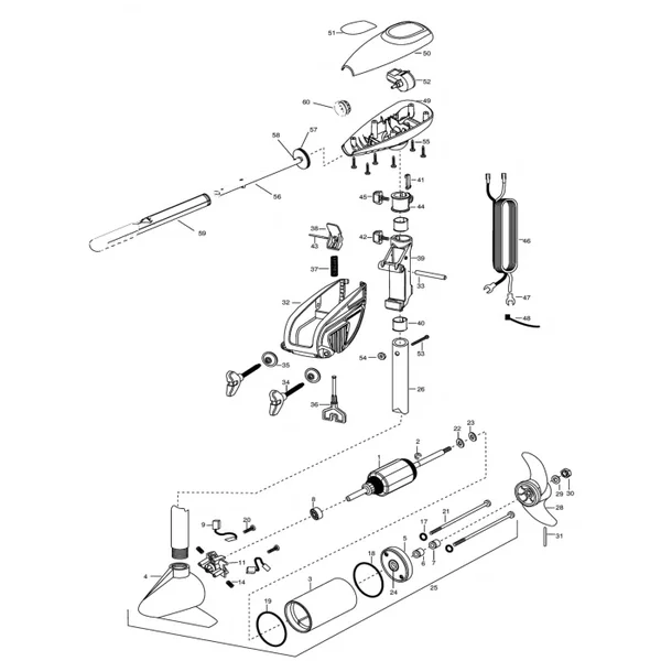
Pièces détachées pour moteur Endura 40 Vous trouverez ci-dessous les concordances entre les numéros des pièces sur le schéma et les références Minn Kota :
1: 2-100-278 – Rotor
2: 788-015 – Circlips
3: 2-200-079 – Bloc moteur electrique
4: 2-300-132 – Bloc d’assemblage
5: 2-400-187 – Plaque d’assemblage et de fermeture du bloc moteur
6: 880-003 – Joint torique
7: 880-006 – Joint torique extérieur
8: 140-010 – Roulement
9: 188-052 – Charbon
11: 738-030 – Support de charbon
14: 975-032 – Ressort de charbon
17: 701-007 – Joint d’étanchéité vis bloc
18: 701-039 – Joint d’étanchéité bloc avant
19: 701-041 – Joint d’étanchéité bloc arrière
20: 830-001 – Vis de fixation du support de charbon
21 – 830-078 – Vis d’assemblage moteur électrique
22: 990-062 – Rondelle
23: 990-070 – Rondelle Nylatron
24: 144-049 – Bride de roulement
25: 206-9241 – Moteur électrique complet
26: 2032046 – Tube en composite
28: 1865002 – Hélice Minn Kota MKP-2
29: 2151726 – Rondelle d’hélice
30: 2053101 – Ecrou de fixation d’hélice
31: 2092600 – Goupille d’hélice
32: 2061910 – Chaise moteur
33: 2060510 – Tube de fixation support moteur/chaise moteur
34: 2061300 – Vis de fixation moteur tableau arrière
35: 2011710 – Platine
36: 2063605 – Cale de réglage élévation moteur
37: 2062706 – Ressort de rappel
38: 2067201 – Manette réglage élévation moteur
39: 2061810 – Support moteur
40: 2037301 – Bague
41: 2062800 – Goupille anti rotation
42: 2011385 – Vis anti rotation
43: 2060515 – Tige de fixation manette
44: 2061520 – Collier anti descente
45: 2011365 – Vis anti chute
46: 2050609 – Câble d’alimentation moteur/batterie
49: 2062510 – Face inférieur tête moteur
50: 2060214 – Face supérieur tête moteur
52: 2064023 – Sélecteur de vitesse
57: 2060405 – Pivot
59: 2990929 – Poignée externe
60: 2060009 – Bague
Manuel d’utilisateur Pièces détachées pour moteur Endura 40 éclaté moteur Minn Kota Endura 40 (1.30 MB) Télécharger


Avis
Il n’y a pas encore d’avis.